产品特点
逆变器额定值 - 6-60HZ CT,VT / PWM VFD 1.0 S.F.
H级逆变器绕组 - F级引线
“Legacy”重型设计,带有耐用的钢制风扇罩
C形法兰和刚性基座
输出HP:0.33~2.0HP
速度:1800rpm
框架:56C
电压:208-230 / 460 V.
频率:50HZ; 60赫兹
冷却方式:TEFC
规格参数
| 型号 | 马力(HP) | 转速RPM | 机座号 | 电压(V) | 230V(电流) | 效率(%) | 绝缘(等级) | 过载(系数) | 冷却(方式) | 工作制 | 重量(LB/KG) |
| YSN5604-F | 0.33 | 1800 | 56C | 208-230/460 | 1.3 | 73 | F | 1.15 | TEFC | CONT. | 20/9.1 |
| YSA5614-S | 0.5 | 1800 | 56C | 208-230/460 | 2 | 72 | F | 1.15 | TEFC | CONT. | 25/11.4 |
| YSA5624-S | 0.75 | 1800 | 56C | 208-230/460 | 2.4 | 81 | F | 1.15 | TEFC | CONT. | 26/11.8 |
| YSA5634-S | 1 | 1800 | 56C | 208-230/460 | 3.4 | 82 | F | 1.15 | TEFC | CONT. | 30/11.7 |
| YSA5644-S | 1.5 | 1 800 | 56C | 208-230/460 | 3.9 | 83 | F | 1.15 | TEFC | CONT. | 35/15.9 |
| YSN5664-S | 2 | 1 800 | 56C | 208-230/460 | 5.6 | 86.5 | F | 1.15 | TEFC | CONT. | 40/18.2 |
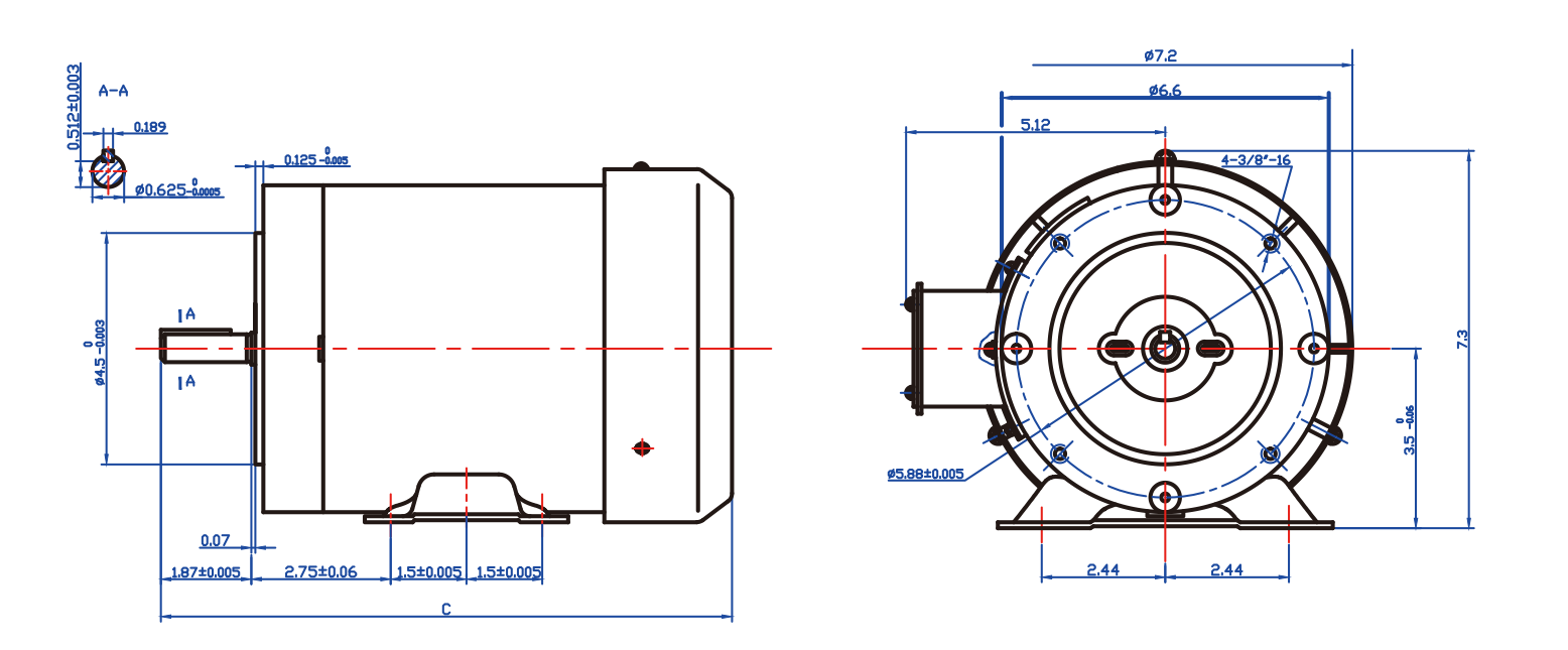
外形尺寸

产品应用
应用于北美NEMA标准要求场合。
- 上一条: YSJ系列铝壳三相交流异步电动机
- 下一条: NEMA单三相56机座通用交流异步电机