产品特点
高扭矩,适用于苛刻的农业/工业应用
“Legacy”重型设计,采用耐用的钢制风扇罩
升级的垫圈
手动热保护器(规格低温)
高品质轴承终身润滑
输出功率:0.33~2.0HP
速度:1800rpm
框架:56;56C;56HC
电压:115-208-230 V.
频率:50HZ; 60HZ
冷却方式:TEFC
规格参数
| 型号 | 马力/HP | 转速RPM | 机座号 | 电压(V) | 电流230V | 过载保护 | 绝缘等级 | 过载系数 | 冷却方式 | 工作室 | 重量LB/KG |
| YCA5624Y | 0.33 | 1800 | 56 | 115-208-230 | 2.9 | MAN. | F | 1.15 | TEFC | CONT. | 25/11.4 |
| YCA5624-D | 0.33 | 1800 | 56C no feet | 115-208-230 | 2.9 | MAN. | F | 1.15 | TEFC | CONT. | 25/11.4 |
| YCA5624-D-D | 0.33 | 1800 | 56C with feet | 115-208-230 | 2.9 | MAN. | F | 1.15 | TEFC | CONT. | 25/11.4 |
| YCA5634Y | 0.5 | 1800 | 56 | 115-208-230 | 3.9 | MAN. | F | 1.15 | TEFC | CONT. | 26/11.8 |
| YCA5634-D | 0.5 | 1800 | 56C no feet | 115-208-230 | 3.9 | MAN. | F | 1.15 | TEFC | CONT. | 26/11.8 |
| YCA5634-D-D | 0.5 | 1800 | 56C with feet | 115-208-230 | 3.9 | MAN. | F | 1.15 | TEFC | CONT. | 26/11.8 |
| YCA5644Y | 0.75 | 1800 | 56 | 115-208-230 | 5 | MAN. | F | 1.15 | TEFC | CONT. | 29/13.2 |
| YCA5644-D | 0.75 | 1800 | 56C no feet | 115-208-230 | 5 | MAN. | F | 1.15 | TEFC | CONT. | 29/13.2 |
| YCN5644D-D | 0.75 | 1800 | 56C with feet | 115-208-230 | 5 | MAN. | F | 1.15 | TEFC | CONT. | 29/13.2 |
| YCYA5674Y | 1 | 1800 | 56 | 115-208-230 | 6.4 | MAN. | F | 1.15 | TEFC | CONT. | 36/16.3 |
| YCYA5674-D | 1 | 1800 | 56C no feet | 115-208-230 | 6.4 | MAN. | F | 1.15 | TEFC | CONT. | 36/16.3 |
| YCYA5674-D-D | 1 | 1800 | 56C with feet | 115-208-230 | 6.4 | MAN. | F | 1.15 | TEFC | CONT. | 36/16.3 |
| YCYA5684D-2T | 1.5 | 1800 | 56 | 115-208-230 | 9 | MAN. | F | 1.15 | TEFC | CONT. | 47/21.3 |
| YCYA5684-2A | 1.5 | 1800 | 56C no feet | 115-208-230 | 9 | MAN. | F | 1.15 | TEFC | CONT. | 47/21.3 |
| YCYA5684D-2A | 1.5 | 1800 | 56C/Feet | 115-208-230 | 9 | MAN. | F | 1.15 | TEFC | CONT. | 47/21.3 |
| YCYA5694D-** | 2 | 1 800 | 145TC | 230 | 9.5 | MAN. | F | 1.15 | TEFC | CONT. | 50/22.7 |
| YCYA5694D-2C | 2 | 1 800 | 56HC with feet | 230 | 9.5 | MAN. | F | 1.15 | TEFC | CONT. | 50/22.7 |
| YCYA5694D-2 | 2 | 1 800 | 145TC with feet | 230 | 9.5 | MAN. | F | 1.15 | TEFC | CONT. | 50/22.7 |
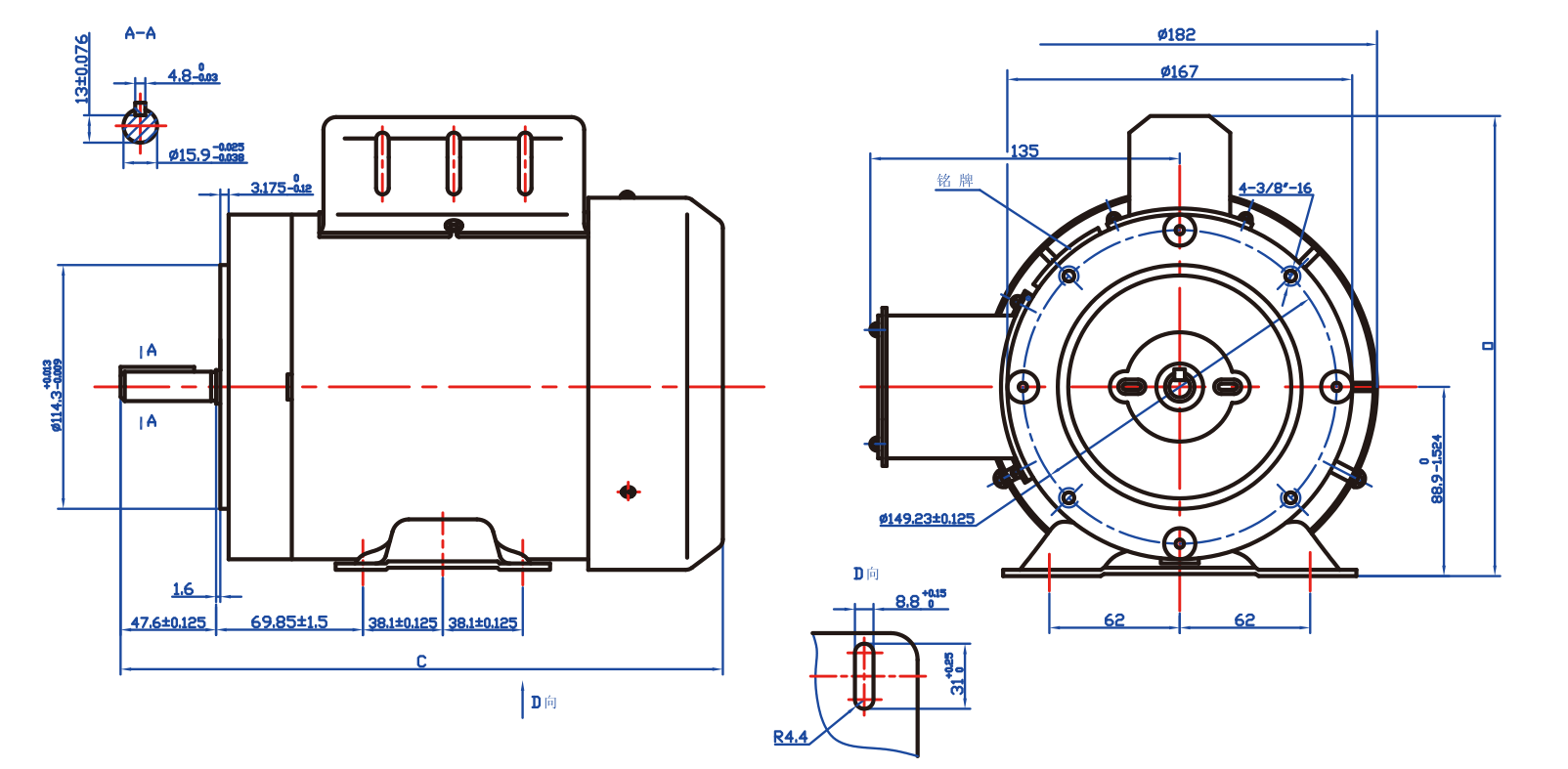
外形尺寸

产品应用
NEMA农用单相钢板电机适用于要求苛刻的农业或工业应用的高扭矩农场负载电机具有终身润滑的高品质轴承。
- 上一条: NEMA瞬时换转向-56机座-单相电机
- 下一条: NEMA单三相56机座通用交流异步电机