产品特点
低启动转矩
滚珠轴承设计
弹性“摇篮”式底座
自动过载保护器
输出功率:1/6-3/4 HP
转速:1725 rpm
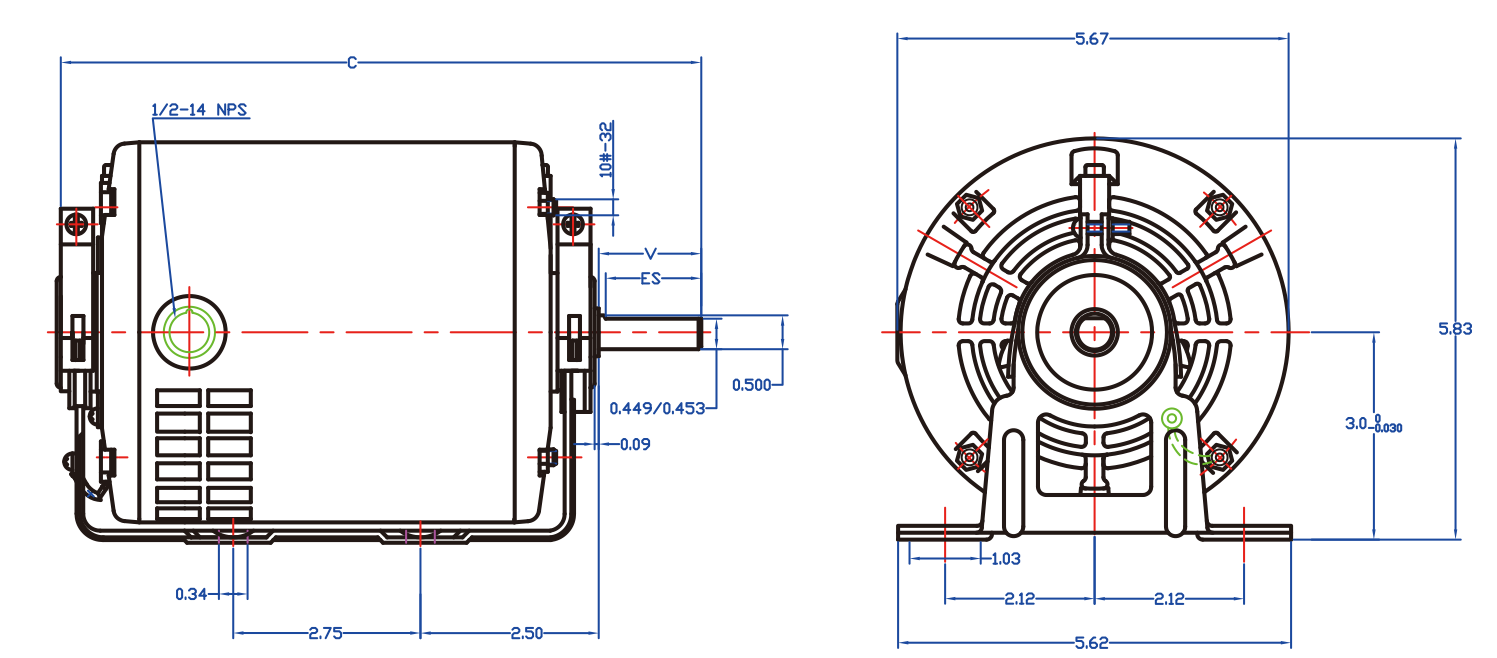
机座号:48Y
电压:115 V; 208-230 V.
频率:60Hz
绝缘等级:B
规格参数
| 型号 | 马力(HP) | 转速(RPM) | 机座号 | 电压(V) | 电流(A) | 过载 (保护) | 过载 (系数) | 绝缘 (等级) | 冷却 (方式) | 转速档 | 重量(LB/KG) |
| YUM484D4 | 1/6 | 1725 | 48Y | 115 | 3.6 | AUTO | 1.35 | B | ODP | 1 | 13.7/6.2 |
| YUM484D13 | 1/6 | 1725 | 48Y | 115/208-230 | 3.6/1.6-1.8 | AUTO | 1.35 | B | ODP | 1 | 13.7 / 6.2 |
| YUM484D5 | 1/4 | 1725 | 48Y | 115 | 5 | AUTO | 1.35 | B | ODP | 1 | 14.3 / 6.5 |
| YUM484D25 | 1/4 | 1725 | 48Y | 115/208-230 | 4.6/2.2-2.3 | AUTO | 1.35 | B | ODP | 1 | 14.3 / 6.5 |
| YUM484D10 | 1/3 | 1725 | 48Y | 115 | 6.6 | AUTO | 1.35 | B | ODP | 1 | 15.2/6.9 |
| YUM484D18 | 1/3 | 1725 | 48Y | 115/208-230 | 6.6/3.0-3.3 | AUTO | 1.35 | B | ODP | 1 | 15.2 / 6.9 |
| YUM484D8 | 1/2 | 1725 | 48Y | 115 | 7.6 | AUTO | 1.25 | B | ODP | 1 | 21.1 / 9.6 |
| YUM484D22 | 1/2 | 1725 | 48Y | 115/208-230 | 7.6/3.7-3.8 | AUTO | 1.25 | B | ODP | 1 | 21.1 / 9.6 |
| YUM484D36 | 3/4 | 1725 | 48Y | 115 | 11.6 | AUTO | 1.25 | B | ODP | 1 | 23.3 / 10.6 |
| YUM484D23 | 3/4 | 1725 | 48Y | 115/208-230 | 11.6/5.9-5.8 | AUTO | 1.25 | B | ODP | 1 | 23.3 / 10.6 |
外形尺寸

产品应用
工业/住宅用
- 上一条: NEMA全封闭自扇冷三相钢板电机
- 下一条: NEMA农用单相钢板电机